ESTUDO HISTOPATOLÓGICO DA INVASÃO DO TRIÂNGULO DE KILLIAN E DA
           MEMBRANA TIREOHIÓIDEA NO CÂNCER DA HIPOFARINGE   

 AVALIAÇÃO PROSPECTIVA DE 10 CASOS


Tese de Mestrado apresentada no curso de Pós-Graduação em Cirurgia de Cabeça e Pescoço do
Hospital Heliópolis em 1995 por Rogério Benatti Ferramola, tendo como Orientador o
Prof. Dr. Abrão Rapoport.

Neste estudo foram avaliados 10 pacientes portadores de carcinomas espinocelulares de seio periforme, todos em estágios clínicos avançados (IV). O principal objetivo do trabalho foi demonstrar, através de exame histopatológico, a infiltração microscópica da membrana tireohióidea e do triângulo de Killian, áreas de fraqueza do arcabouço faringolaríngeo, no câncer do seio periforme, hipofaringe. Foram observadas células neoplásicas, ao nível da membrana tireohióidea, em 4 pacientes, 1 deles através de êmbolo tumoral e nos demais, por comprometimento direto; e no triângulo de Killian, em 3 casos, 2 deles por êmbolo e 1 diretamente
Verificamos que, no carcinoma espinocelular da hipofaringe, houve invasão da membrana tireohióidea e do triângulo de Killian em 40% e 30% dos casos, respectivamente. No estágio clínico IV, houve invasão de 100% das estruturas em estudo.

Desenho esquemático de infiltração do triângulo de Killian por tumor do seio periforme (Extraído e modificado de Thawley, S.E. & Poanje, W.R.)
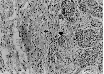
Microfotografia de corte histopatológico mostrando invasão tumoral (seta) da membrana tireohióidea (*H.E. X 132)
Fotografia de peça cirúrgica de um dos pacientes do trabalho.
(Asterisco mostra tumor no seio periforme)
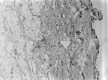
Microfotografia da membrana tireohióidea (*) de aspecto normal (H.E. X 85)


COORDENAÇÃO | SOBRE A ESPECIALIDADE | BIBLIOTECA ONLINE | RECURSOS INTERNET | EDUCAÇÃO | PESQUISA | EVENTOS
| CASOS CLÍNICOS | COLABORADORES | MAIS... | NOVIDADES | CONTATO

Hospital Virtual
Uma reallização NIB
Copyright (c) 1997 Universidade Estadual de Campinas